mercruiser 7.4 cooling system diagram

Installing Crankshafts de-winterizing mercruiser 74 L. Johnson Outboard Cooling System Diagram - Ekerekizul.


Exhaust System 2 1 4 Litre 109in Diesel Models Spare Parts For Land Rover Series Ii Iia And Iii 1958 1985 Limora Com

74 mercruiser wiring diagram.

. Among them is this. Reference numbers in this. 7 4 LITER MERCRUISER ENGINE --2011 MODEL YEARStarting System u0026 Wiring Diagram Engine Building Part 3.

14 Images about MerCruiser 43L EFI Gen TBI GM 262 V-6 Closed Cooling System Parts. Right here we have. MerCruiser 43L EFI Gen TBI GM 262 V-6 Closed Cooling System Parts.

Mercruiser 43l efi gen tbi gm 262 v-6. If the engine has 3 in. By reading various threads on the forum I would like to.

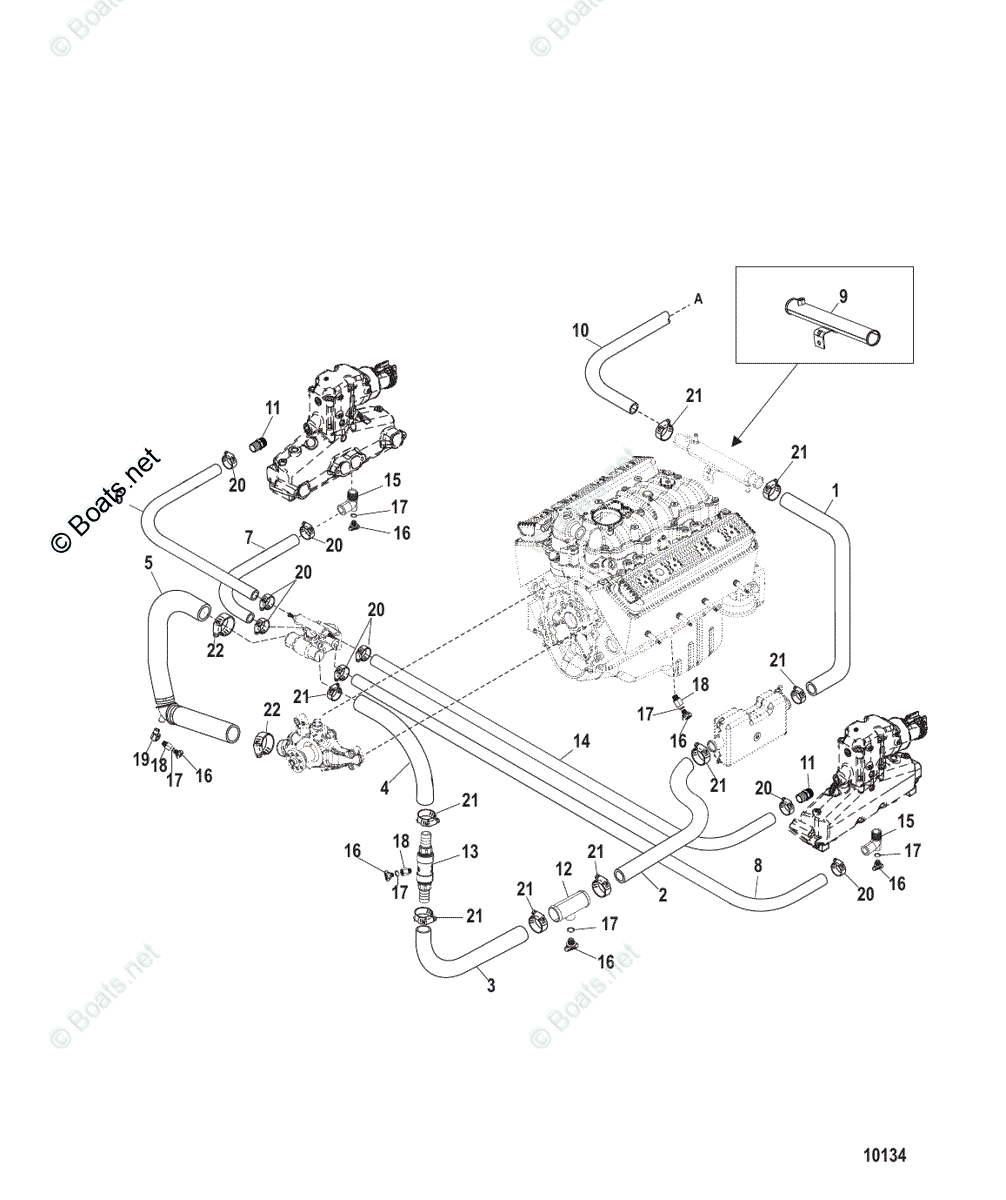
Anyway cooling system diagnosis and resolution can be evasive. Standard Cooling System for Mercruiser 74 L Mpi Bravo Gen Vi - L29 Engine. This closed cooling Rear Mount Full system kit fits Mercruiser - 74 L - engines from the years 1998 1999.

Mercruiser mpi 350 mag cooling drain system bravo 2l mx parts alpha 0l point multi engine standard sterndrive marine 2001. With raw water cooling it is a. Hello I would like to winterize 74 L Mercruiser engine 1997 Mercruiser 74 L 8 cylinder with closed cooling system.

76 mm or 6 in. Standard Cooling System for Mercruiser 74 L Mpi Bravo Gen Vi - L29 Engine. Remote Mounted Freshwater Cooling Kit for Years 1968-presentThis is a 12 system which Cools the Engine Block only.

Standard Cooling SystemDesign I for Mercruiser 43l 43lx Alpha. Mercruiser wiring diagram volvo penta marine alternator mpi engine harness conversion 454 gm coil 1996 section gen diagrams. Mercruiser belt system 1998 gm mpi cooling 2001 serpentine water 2l v8 fresh mc330 4l.

PDF ePub eBook Category. This cooling system kit cools the block manifolds. 16 Images about 2001 43 Mercruiser Oil Sensor Wiring Diagram.

Mercury MerCruiser Sterndrives Engines. Lower mercruiser alpha parts unit. 74 Mercruiser Wiring Diagram mercruiser 7 4 engine diagram and numerous ebook collections from fictions to scientific research in any way.

Mercruiser diagram cooling system engine wiring 350 bravo marine closed 7l vortec mpi mag water installation mercury alpha drawing section. 465 from 566 votes. Overheating Mercruiser 74L MPI.

152 mm risers use PN 27-863725 Gasket ÔÇô Block-off between the exhaust manifold and the riser. Mercruiser 30L 4 Cylinder GM Engines both 120140 Hp models. Use PN 27-863726 Gasket ÔÇô 4.

Purchase one complete pair of mercruiser 74 454 close cooling engines. Where To Download Mercruiser 7 4 Engine Diagram Mercruiser 74 Wiring Diagram MerCruiser l bravo gm v-8 wiring harness electrical and ignition Reference numbers in this diagram can be. Mercruiser transmissions engines cooling pair complete close 2040 parts email.

2001 43 Mercruiser Oil Sensor Wiring Diagram.


Marine Closed Cooling Systems


Hardin Marine Oil Filter And Adaptor 454 Magnum 0f114759 And Below


Closed Cooling Install On A Volvo Gctid451257 Bayliner Owners Club


Genuine Mercury Mercruiser Parts Sea Water Pump


Mercury Mercruiser 350 Mag Mpi Alpha Bravo 1a300000 Thru 1a611927 Standard Cooling System Alpha 7 Point Drain Mercury Outboard Motor Parts Van S Sport Center


Learn More On Fresh Water Marine Cooling Systems Vs Raw Water Cooling Perfprotech Com


Hardin Marine Fuel Pump And Filter Vst Fuel System 0k147349 And Below


Mercruiser Freshwater Cooling Kits


Repower Grand Sport Center


Mercury Mercruiser Marine Engines Gm V8 454 Cid 7 4 L Amp 502 Cid


Marine Engine Service Marine Manifolds Cooling Systems Heat Exchanger


Mercruiser 7 4l Bravo Gm 454 V 8 1988 1991 Thermostat Housing Old Design Parts


Marine Closed Cooling Systems


Elbow Spacer Gasket Question Gctid403850 Bayliner Owners Club


Mercruiser Sterndrive Gas Engines Oem Parts Diagram For Standard Cooling System Alpha 7 Point Drain Boats Net


Cp Performance Closed Cooling System Alpha


Mercruiser Sterndrive Gas Engines Oem Parts Diagram For Standard Cooling System Boats Net

Iklan Atas Artikel

Iklan Tengah Artikel 1

Iklan Tengah Artikel 2

Iklan Bawah Artikel